Direkt zum Seiteninhalt
Menü überspringen
20 Jahre DC-Car
Individueller
Autobau
Fahrende Modellautos mit der automatischen Abstandssteuerung
VTL neue Platine 2015
Bausteine > Vorfahrts-Tiny
Menü überspringen
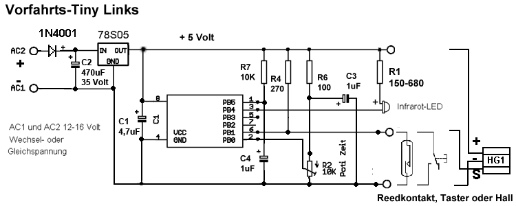
Mit dem VTL-Tiny (Vorfahrts-Tiny Linksabbieger) kann der Verkehr auf Straßen mit Linksabbiegern geregelt werden. Fahrzeuge, die links abbiegen wollen, werden vom Gegenverkehr angehalten. Alle anderen Fahrzeuge fahren weiter. Der Kontakt wird in die Fahrbahn des Gegenverkehrs eingebaut. Die IR-LED wird so eingebaut, dass sie die Fahrzeuge von vorne anstrahlt. Kommt ein Fahrzeug einem anderen Fahrzeug das links abbiegen will entgegen, so schließt dieses den Kontakt und aktiviert damit den VTL-Tiny. Dieser sendet ein Kommando aus, das nur von dem Fahrzeug ausgewertet wird, das den linken Blinker eingeschaltet hat. Das Fahrzeug stoppt solange, bis die eingestellte Zeit abgelaufen ist. Kommt in dieser Zeit ein weiteres Fahrzeug entgegen, so wird die Zeit erneut gestartet.

Der Schaltplan und die Platine zeigen das Design von 2015.
Die neue Platine hat vergoldete Lötanschlüsse. Dadurch lässt sie sich gut von der alten Platine unterscheiden.
Ein weiterer Unterschied ist die Verwendung eines Spannungsreglers auf der Platine.
Stückliste für Platine:
D1 = 1N4001 Diode
IC1 = 78S05 Spannungsregler
IC2 = VTL-Tiny
C1 = Tantalkondensator 4,7uF/16 Volt
C2 = Elko 470uF / 35 Volt
C3 + C4 = Tantalkondensator 1uF/16 Volt
R1 = Vorwiderstand für IR-LED 150 - 680 Ohm
R2 = Potentiometer 50K
R4 = Widerstand 270 Ohm
R6 = Widerstand 100 Ohm senkrecht eingelötet
R7 = Widerstand 10K

Zubehör:
8-polige Schraubklemme 2,54mm Raster
4-polige Stiftleisten für Stromanschluß
IR-LED
Reedkontakt / Taster / Hallsensor HG1
Steckernetzteil mit 12 Volt Gleichspannung

Zeiteinstellung:
Wird die orangefarbene Verbindung eingesetzt, so verlängert sich die maximale Haltezeit von 
20 Sekunden auf 200 Sekunden.

Variante:
Wird der Baustein direkt mit 5 Volt Gleichspannung versorgt, so können die Bauteile D1, 78S05 und C2 weggelassen werden.
Achtung !!
In diesem Fall ist der Baustein nicht gegen Verpolung oder zu hoher Spannung geschützt.
Zurück zum Seiteninhalt