Direkt zum Seiteninhalt
Menü überspringen
20 Jahre DC-Car
Individueller
Autobau
Fahrende Modellautos mit der automatischen Abstandssteuerung
VT
Bausteine > Vorfahrts-Tiny
Menü überspringen

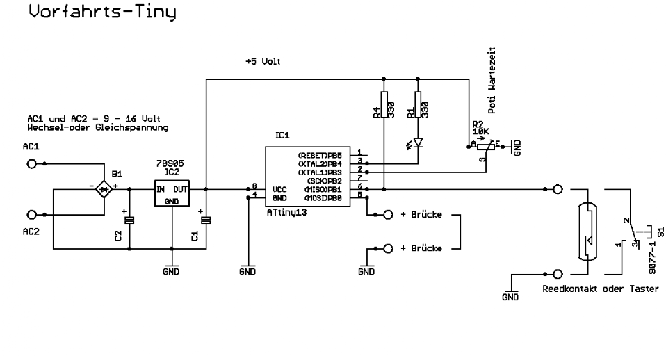
VT-TINY oder Vorfahrtstiny

Stoppschild-Tiny: Das Fahrzeug hält sich selber für einige Sekunden an.
Verkehrsregelung-Tiny: Rechts-vor-Links, das von rechtskommende Fahrzeug hält das Linke an.
Baustellen-Tiny: Das Fahrzeug hält sich selber für einige Sekunden an.
Parkplatz-Tiny: Das Fahrzeug hält sich selber für einige Sekunden an.
Engstellen-Tiny: mit 2 Vorfahrttinys kann man an einer Brücke oder einspurigen Straße die Fahrzeuge abwechselnd fahren lassen.

Stückliste für den Schaltplan:
B1 = Brückengleichrichter oder Diode 1N4001
C1 = Tantalkondensator 4,7uF/16 Volt
C2 = Elko 470uF/25 Volt
R1, R4 = 330 Ohm 1/8 Watt
R2 = Poti 10KOhm
78S05 Spannungsregler
VT-Tiny

Zubehör:

IR-LED
Reedkontakt oder Hallsensor


Der Vorfahrtstiny kann mit DC-Cars benutzt werden, um den Verkehr zu steuern.
Überfährt ein Fahrzeug einen Sensor (Reedschalter, Hallsensor HG1, IR-Sensor) wird ein IR-Stop-Signal für eine einstellbare Zeit erzeugt. So kann dieser Verkehrsregelungstiny auch als Baustellen, Engstellentiny oder Baustellentiny bezeichnet werden.

Stückliste für Platine:

C1, C2 = Tantalkondensator 1uF/16 Volt
R1 Vorwiderstand für die IR-LED 150 - 680 Ohm (der im Bild ist 470 Ohm)
R2 Widerstand 270 Ohm
P1 Poti 10KOhm zur Einstellung der Wartezeit
Infrarot-LED wie vom Funktionsbaustein
Reedkontakt oder Hallsensor zur Auslösung

Zurück zum Seiteninhalt